ATA 100

Atas 100. (PDF) Código ATA 100 UNAQ IAM25B Academia.edu If you've gotten this far, it's possible that your ATAS-100 needs to be repaired and you may not have the skills or equipment to tackle it yourself 12VDC applied to the feedline lengthens the antenna, 8VDC shortens it

ATAS 100 Antenna Control
ATAS 100 Antenna Control from www.qsl.net

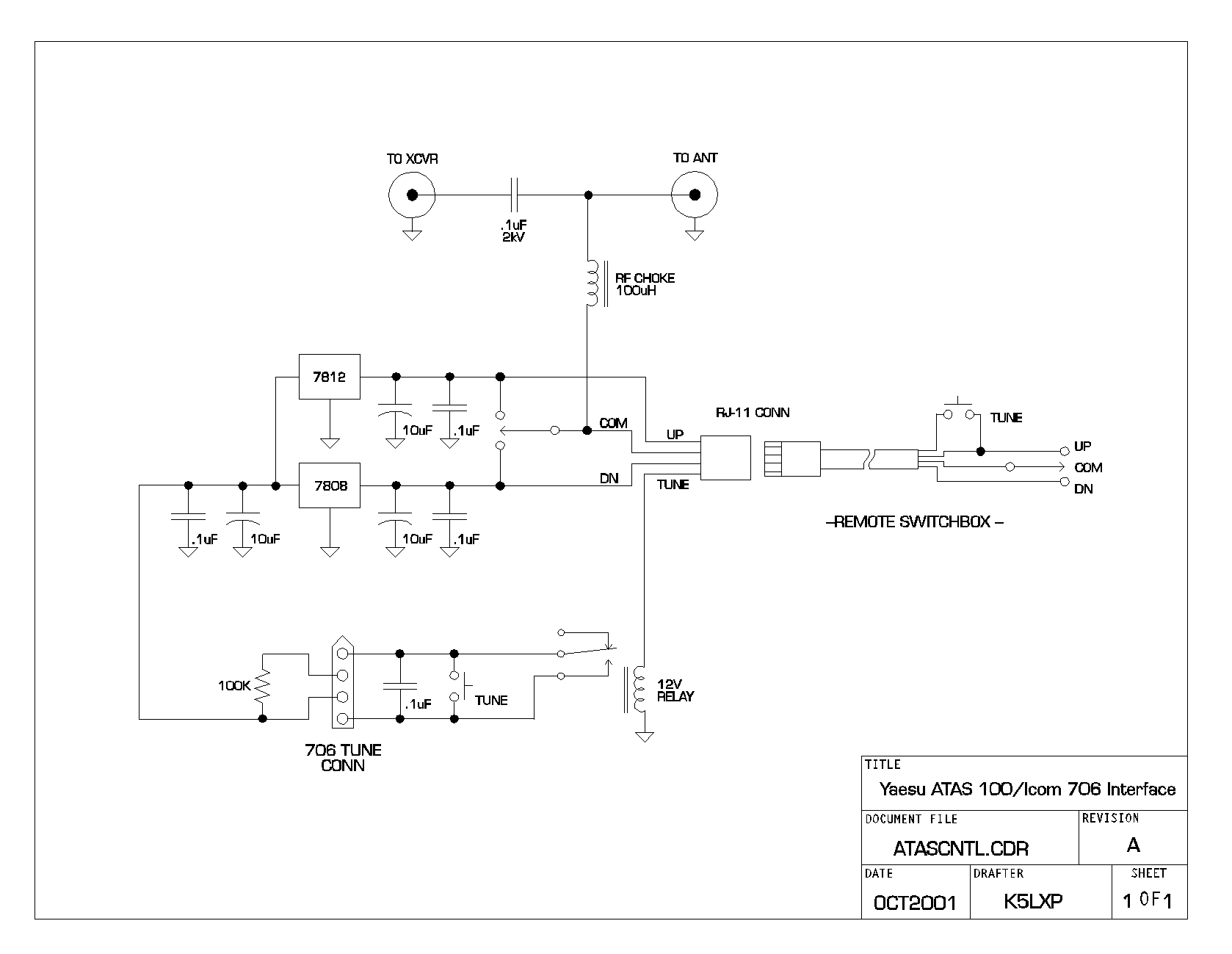
Utilizing control signals from the transceivers microprocessor received via the coaxial cable, the ATAS-100's internal motor adjusts the radiator length for best SWR The control box isolates the control DC from the radio with a blocking capacitor, and isolates the RF from the control box with an RF choke

ATAS 100 Antenna Control

The attic's highest point is just a few inches shorter than the fully extended antenna, which means that the element would bend a little when extended The ATAS-100, a 5 foot antenna works from 40 Meters to 6 Meters and when fully retracted works (somewhat) on 2 and 440 The attic's highest point is just a few inches shorter than the fully extended antenna, which means that the element would bend a little when extended

ATA 100 specification standard chapters Download Table. Yaesu sells a kit, the ATBK-100, for those wanting to use the ATAS-100 at home on VHF and higher bands. If you've gotten this far, it's possible that your ATAS-100 needs to be repaired and you may not have the skills or equipment to tackle it yourself

Sistema ATA 100. ACTIVE TUNING ANTENNA SYSTEM ATAS-IOO Technical Supplement (01998 Yaesu Musen Co., Ltd Printed in Japan The ATAS-100 covers the 7, 14, 21, 28, 50, 144 and 430 MHz amateur.