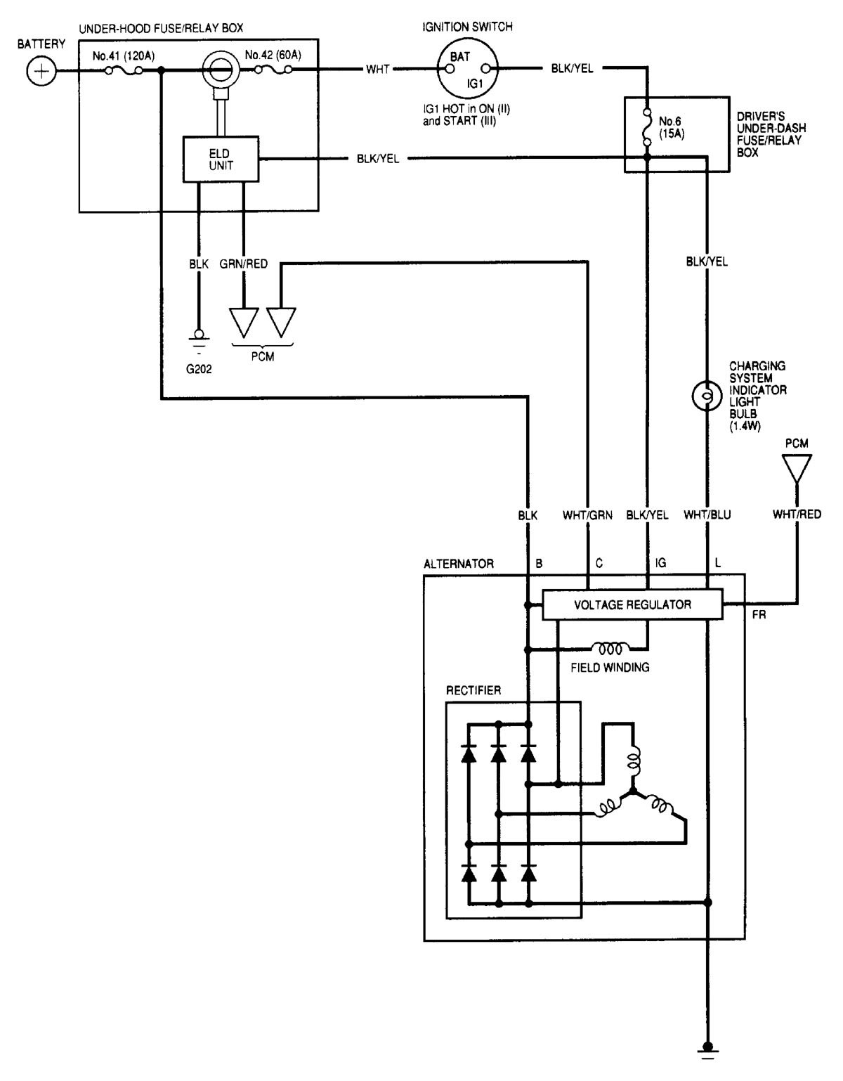
Acura TL (1995 1997) wiring diagrams charging system
Acura TL (1995 1997) wiring diagrams charging system
Acura Tl Check Charging System. Acura TL (2006) wiring diagrams charging system Carknowledge.info The check charging system light is off, but the battery is dead Typically, with the engine running, the system voltage should be between 14.1-14.4 volts.
Check Emission System Acura Tl 2010 momsocity from momsocity.blogspot.com
The keyword acura tl check charging system is an important part of regular maintenance for your Acura TL The check charging system light is off, but the battery is dead
Check Emission System Acura Tl 2010 momsocity
What are the reasons for the charging system failure in the Acura TL? Although everything may seem quite simple, the charging system failure message doesn't show up only because the alternator is not working There are numerous other reasons why your 12-volt battery in the Acura TL may not be charging properly. When there is a check charging system light on your dashboard, consider the issue with your ECU, alternator, battery, blown fuses, impaired belts, loose wiring, or corroded terminals
Acura Check Charging System [Meaning & Causes. Last summer I had the check charging system light appear on my dash Acura TL Check Charging System - Troubleshooting Guide June 17, 2024 October 30, 2021 // Max Smith
Acura TL (2006) wiring diagrams charging system Carknowledge.info. There could be a problem with the battery or alternator I googled it and after checking the voltage from the battery I realized I needed a new alternator